Texas Instruments PFCLLCSREVM034 AC to Isolated DC Evaluation Module
Texas Instruments PFCLLCSREVM034 AC to Isolated DC Evaluation Module (EVM) evaluates the UCC28056B, UCC25604, and UCC24624 devices. The evaluation module is a 168W AC/DC supply with a transition-mode power-factor correction front end and isolated half-bridge LLC resonant converter with synchronous rectification. The Texas Instruments PFCLLCSREVM034 accepts AC input from 90Vrms to 264Vrms and outputs 12VDC with 168W full-load output power.Features
- Low-cost single-layer PCB
- AC Input voltage from 90Vrms to 264Vrms
- Regulated 12VDC typical output
- Full-load power of 168W, or full-load current of 14A
- Optimized low-power features enable extremely low-standby power
- High efficiency
- Advanced burst mode with burst soft-on and soft-off for minimized audible noise
- X-capacitor discharge
- Test points to facilitate device and topology evaluation
Required Equipment
- AC Voltage Source
- Capable of single-phase output AC voltage 85 to 265VAC, 47 to 63Hz, adjustable, with minimum power rating 100W and current limit function
- The AC voltage source to be used should meet the IEC 60950 reinforced insulation requirement
- DC Digital Multimeter
- One unit capable of 0VDC to 450VDC input range, four-digit display preferred
- One unit capable of 0VDC to 20VDC input range, four-digit display preferred
- Output Load
- DC load capable of receiving 0VDC to 20VDC, 0A to 14A, and 0W to 300W or greater, with the capability to display information such as load current and load power
- Oscilloscope
- Capable of 500MHz full bandwidth, digital or analog (if digital, 5Gsps, or better)
- Fan
- 200 to 400LFM forced air cooling is recommended but not required
- Recommended Wire Gauge
- Capable of 25A, or better than #14 AWG, with the total length of the wire to be less than 8 feet (4 feet input and 4 feet return)
Applications
- Industrial AC-DC adapters
- Power tools
- Medical power supply
- Multi-functional printer
- Enterprise and cinema projector
- PC power supply
- Gaming console power supply
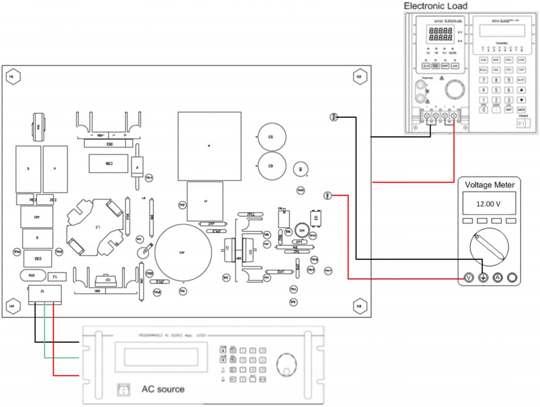
Test Setup
เผยแพร่แล้ว: 2563-08-24
| อัปเดตแล้ว: 2567-08-16
