M5Stack COMMU Module
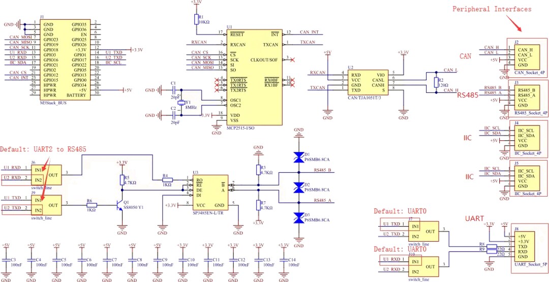
M5Stack COMMU Module is a compact multi-communication-interface and converter. The COMMU includes two I2C interfaces, one CAN interface, one RS485 interface, and one TTL interface. The TTL interface is configured as a UART interface by default, but it can be easily switched to UART2 by configuring the COMMU Module's jumpers.The M5Stack COMMU Module features a compact 54.2mm x 54.2mm x 13mm form factor and weights only 13.5g.
Overview
MBUS Pinmaps
Schematic
เผยแพร่แล้ว: 2564-01-27
| อัปเดตแล้ว: 2565-03-11
